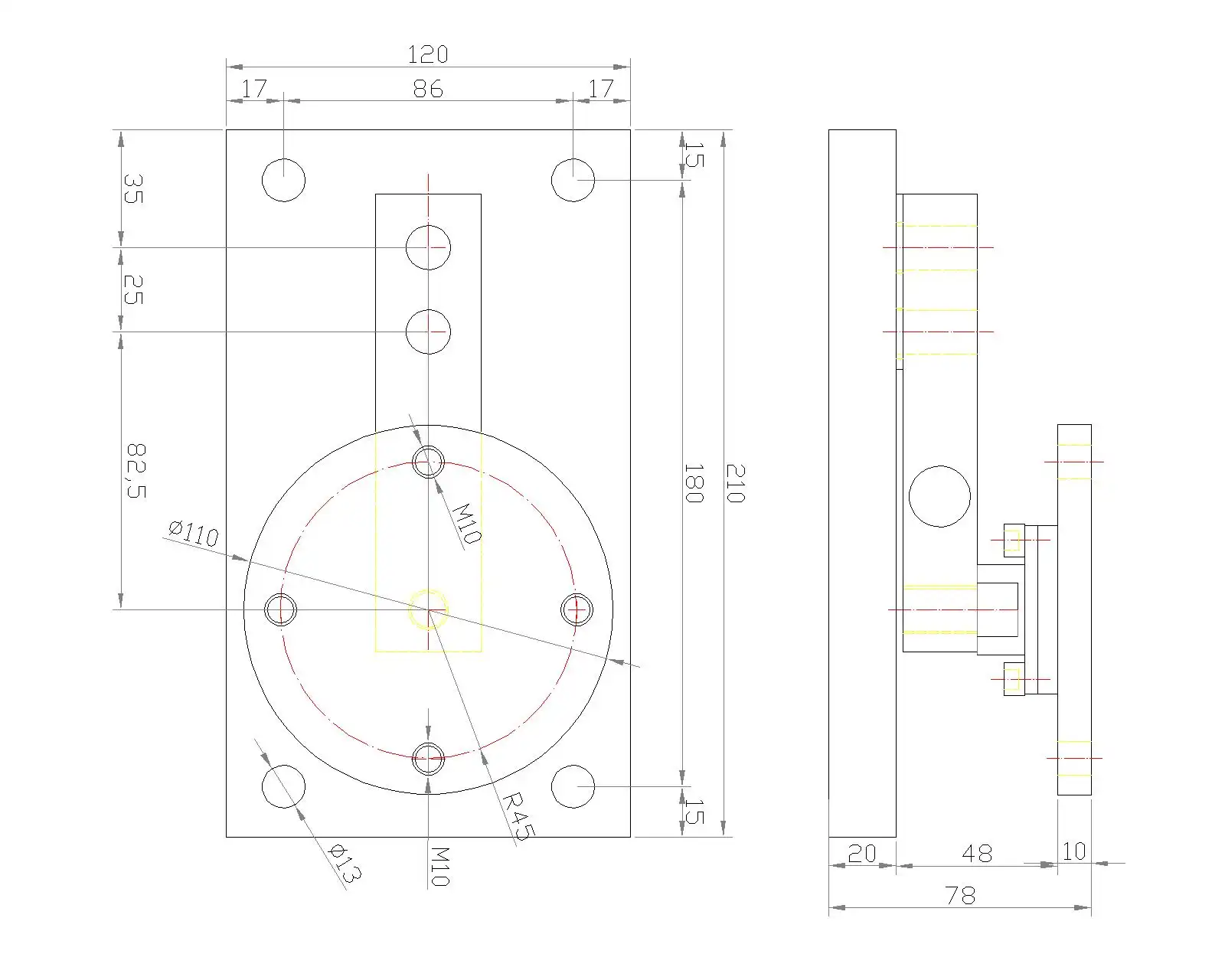
Imagen accesorio antivuelco

CCT1ANTIV

Sistema antivuelco para células CT-1

  • Fabricado en acero cincado y en acero inoxidable
  • Robustos, alta fiabilidad y durabilidad.
  • Fácil montaje, anclaje con 4 tornillos en la parte superior y 4 en la inferior.