FLE-2
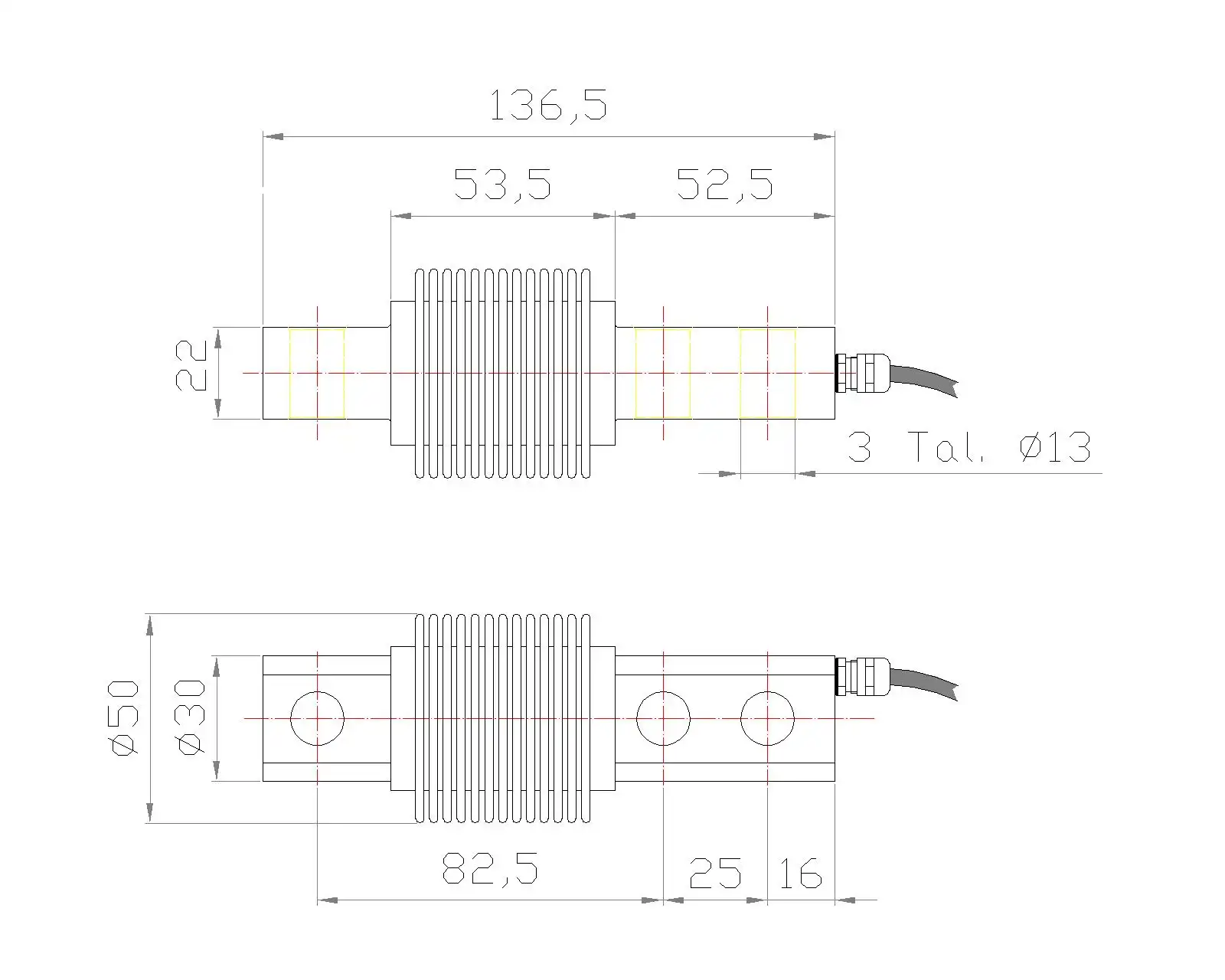
Célula de carga ref.: CFLE2
- Emax: 15-25-30-50-75-150-200-250-300-500-750-1000-1500 kg
- TC E-08.02.C10 / TC E-09.02.C07 (3000d OIML R60)
- Acero inoxidable
- Estanqueidad garantizada por micro soldadura laser IP68
- Opción IP69K
Célula de carga ref.: CFLE2
Especificaciones técnicas
| Clase de Precisión: | C3 |
| Vmin: | Emax / 10.000 |
| Sensibilidad: | 2 mV/V ± 0.1% |
| Tensión de alimentación: | 5 ÷ 15 V |
| Resistencia de entrada: | 350 Ω ± 10 Ω |
| Resistencia de salida: | 350 Ω ± 4 Ω |
| Resist. de aislamiento: | > 5000 MΩ (50Vdc) |
| Margen de temperatura: | -10º / +40ºC |
| Grado de protección: | IP-68 |
| Longitud del cable: | 5 m |
Sistema antivuelco para módulos de pesaje, compatible con FLE-2. Alta fiabilidad y durabilidad, disponible en acero cincado y acero inoxidable.
Patas autocentrantes con altura regulable, fabricadas en acero cincado y acero inoxidable.
Sistema de amortiguación para módulos de pesaje. Alta fiabilidad y durabilidad, fabricados en goma o vulcoyan.
Accesorio de tracción para célula de carga FLE2, diseñado para hibridaciones y montaje en varilla roscada, entre otros.