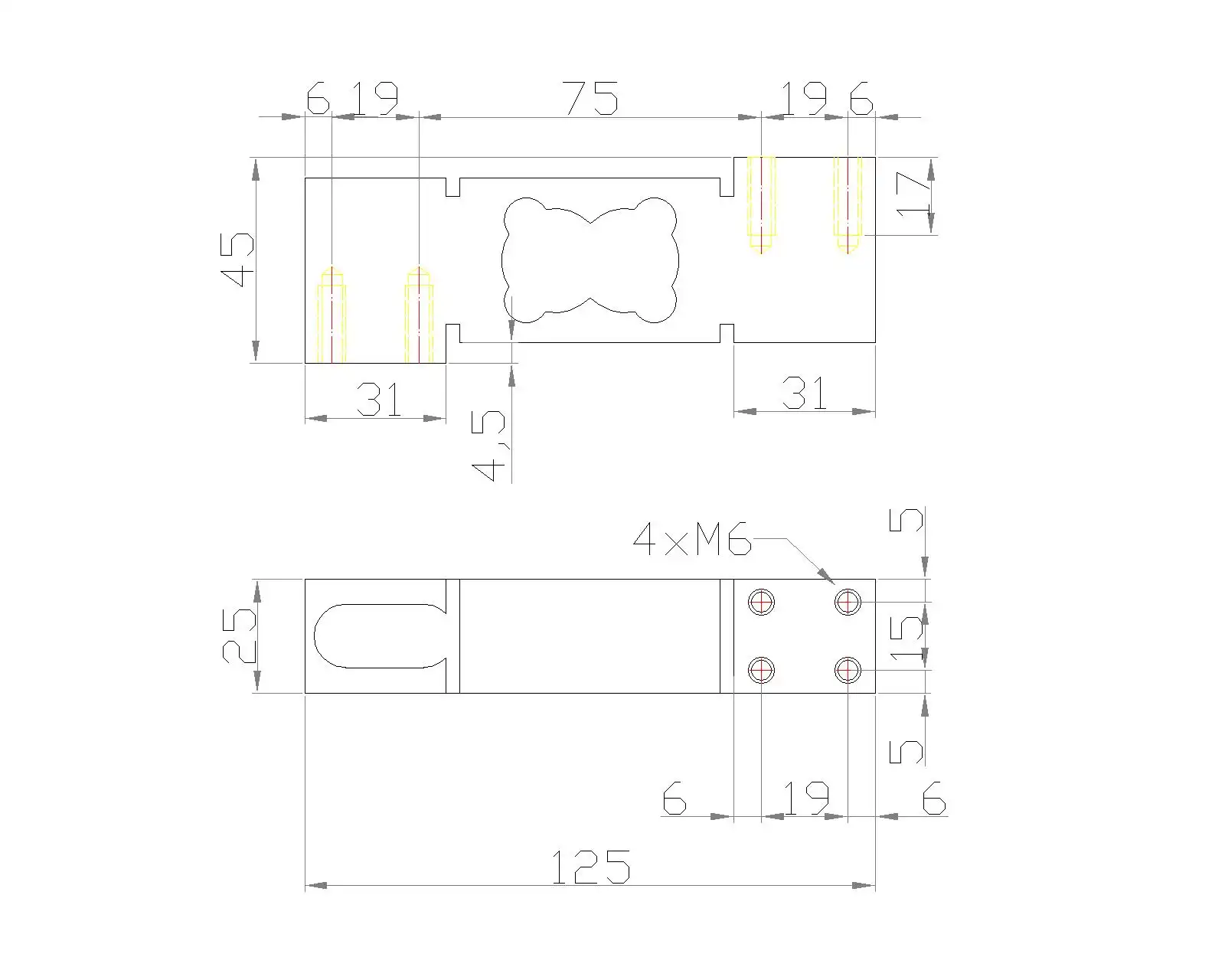
MN-6
Célula de carga ref.: CMN6
- Emax: 25–50–75–100–150–200–250 kg
- TC E-08.02.C08 (4000d OIML R60)
- Acero inoxidable
- 4000 divisiones OIML R60 Clase C
- Para plataformas monocélulas de hasta 500 x 500 mm
Célula de carga ref.: CMN6
Especificaciones técnicas
| Clase de Precisión: | C4 |
| Vmin: | Emax / 10.000 |
| Sensibilidad: | 2 mV/V ± 0.1% |
| Tensión de alimentación: | 5 ÷ 15 V |
| Resistencia de entrada: | 390 Ω ± 10 Ω |
| Resistencia de salida: | 350 Ω ± 4 Ω |
| Resist. de aislamiento: | > 5000 MΩ (50Vdc) |
| Margen de temperatura: | -10º / +40ºC |
| Grado de protección: | IP-67 |
| Longitud del cable: | 5 m |